Sterowniki Pieców i Pomp - Oficjalna strona producenta

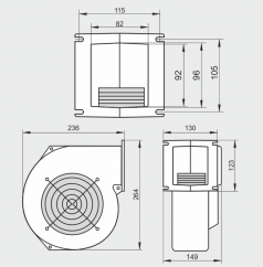
Wentylator WPA 160

Wentylator WPA 160

Wentylator przeznaczony jest do nadmuchu powietrza do palenisk kotłów C.O. Może być również stosowany do wentylacji ogólnej pomieszczeń i urządzeń technologicznych

Wentylator składa się z dwóch części obudowy aluminiowej

Wydajność - 620 m3/h

Sprężanie - 630 Pa

Moc - 278 W

Pliki do pobrania

Udostępnij